3 Wege Standbox für mittelgroße Räume
Die Diva entstand aus dem Wunsch heraus eine Standbox mit hoher Pegelfestigkeit und sehr guter Räumlicher Abbildung zu entwerfen.
Das Design mit den geschwungenen Seiten ist an einen dänischen Hersteller angelehnt, und hat beim Bau doch viele Probleme bereitet.
Trotzdem war die Arbeit daran kurzweilig und hat viele neue Erfahrungen vermittelt.
Die Fotos sind leider nicht gut (Das Projekt ist aus 2016 und meine damalige Kamera war leider nicht mit heutiger Technik vergleichbar.

Bestückung:
Bass: Dayton RS 225-4
MT: Wavecor WF118WA05
HT: Wavecor TW22WA06
Hier einige Bilder aus der Bauphase:

Die geschwungenen Seiten sind mittels Spantenbauweise hergestellt.
Zunächst habe ich eine Musterplatte angefertigt und diese mit einem Bündigfräser kopiert.
Die eigentlichen Seiten bestehen aus je 5 Lagen 4mm MDF, welche jeweils vollflächig miteinander verleimt sind.


Die Oberfräse hat die Kanten innerhalb weniger Minuten geglättet.
Die Bitumenmatten dienen eher dem guten Gewissen als das diese einen großen Einfluss haben.

Und das Ergebnis im Rohbau:

Das Volumen der Basskammer beträgt 50 Liter, der Mitteltöner hat sein eigenes Gehäuse von 5 Litern bekommen.
Das Reflexrohr hat 7 cm Innendurchmesser und ist 19 cm Lang.
Der Ausschnitt für die Mittelhochtoneinheit ist eine eingelassene seperate Montageplatte.
Somit kann ich in dem Gehäuse auch andere Mitteltonvarianten testen ohne jedes mal das Ganze Gehäuse neu zu bauen.
Die Schnittkanten in der Schallwand werden final mit einem gebürstetem Edelstahlblech kaschiert.
Messungen:

Den besten Frequenzgang zeigen die Messungen bei 10 Grad Winkel.
Alle Messergebnisse liegen allerdings dicht zusammen, was für ein gutes Rundstrahlverhalten spricht.
Der sichtbare Abfall im Frequenzgang oberhalb von 13 kHz wird von einer dubiosen Soundoptimierung unter Win 10 verursacht.
Eine Vergleichsmessung mit einem anderen Mikrofon zeigte bis 12,5 kHz identische Ergebnisse.

Die Nahfeldmessung ist vor der Membranmitte des Basschassis gemessen.
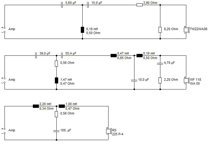
Die Weichenschaltung sieht so aus:

Und zum Schluss noch die Impedanzmessung der kompletten Box:

Das ist schon ohne Entzerrung der Tieftönerresonanz Röhrentauglich
Und wie klingt es?
Jede Mutter hat ja bekanntlich die schönsten Kinder, also will ich das Urteil nicht zu überschwänglich fällen.
Der Bass ist enorm tiefreichend und sehr präzise, weit entfernt von einem One-Note Bass.
Hier kann man deutlich zwischen schwarz und dunkelgrau unterscheiden.
Der Mitteltonbereich ist sehr detailiert und der WF118WA05 hat eine für den Preis ausgezeichnete Impulswiedergabe.
Der Hochtöner schließt hier nahtlos an, gute Wiedergabe von Details ohne scharf zu klingen.
Besonders wichtig ist mir die räumliche Abbildung, diese ist für meinen Geschmack ausgezeichnet.
Breite und Tiefe sind genau wie ich Sie haben wollte.
Die Lautsprecher mussten einem anderen Konzept weichen, daher habe ich sie nicht mehr vor Ort.